Search

célula de carga RTXS

Key feature:

• Material: RTS Alloy Steel – RTXS Stainless Steell
• Rated Capacities: 1t-220t
• OIML R60, NTEP HB44, CPA, CE and RoHS certified
• IP Rating IP68
• Suitable for truck scales and giant hopper scale.
• High precision by OIML R60 C3, high reliability.

RTXS

Product description:

RTXS is a large range capacity compression load cell, capacity is from 1t to 220t. It is widely suitable for applications in truck scale and heavy-duty process weighing industry, it is with smooth electro-polished surfaces so that it is easy to be cleaned and is ideally suited to weighing applications in clean-in-place / sterilize-in-place environments. Full stainless steel constructure, completely hermetically sealed by laser. Also, it is designed with mandrel with self-aligning arc point to receive force vertically to ensure the high force accuracy.

PDF célula de carga RTXS

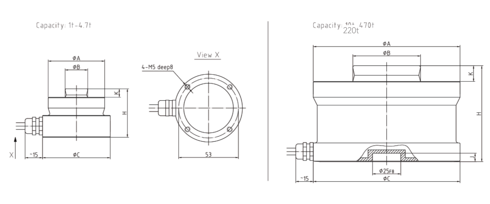
Dimensions (in mm):

RTXS Load Cell Specifications

NOTES:

  1. Error due to the cornbined effect of non-linearity and hysteresis
  2. The sum of errors due to Ternperature Effect on Output cornply with the requirernents of OIML R60 and NIST HB44
  3. AL = Applied Load 

Wiring Diagram 4 - wire

Specifications and dimensions are subject to change without notice.

Cadastra-se

Cadastre-se no formulário abaixo e receba nosso catálogo no seu e-mail