Search

CDEXS Load Cell Specifications

Key feature:

  • Material: Stainless steel
  • Rated Capacities: 30t~50t
  • 2pcs separate pluggable connectors, self-locked assembly, daisy connection without junction box..
  • Advanced quick Protocol CANopen
  • IP Rating: IP68, IP69K
  • Suitable for truck scales, heavy duty hopper scales force measurement equipment.
  • certificated: OIML R60, NTEP HB44, CPA, CE and RoHS

CDEXS

Product description:

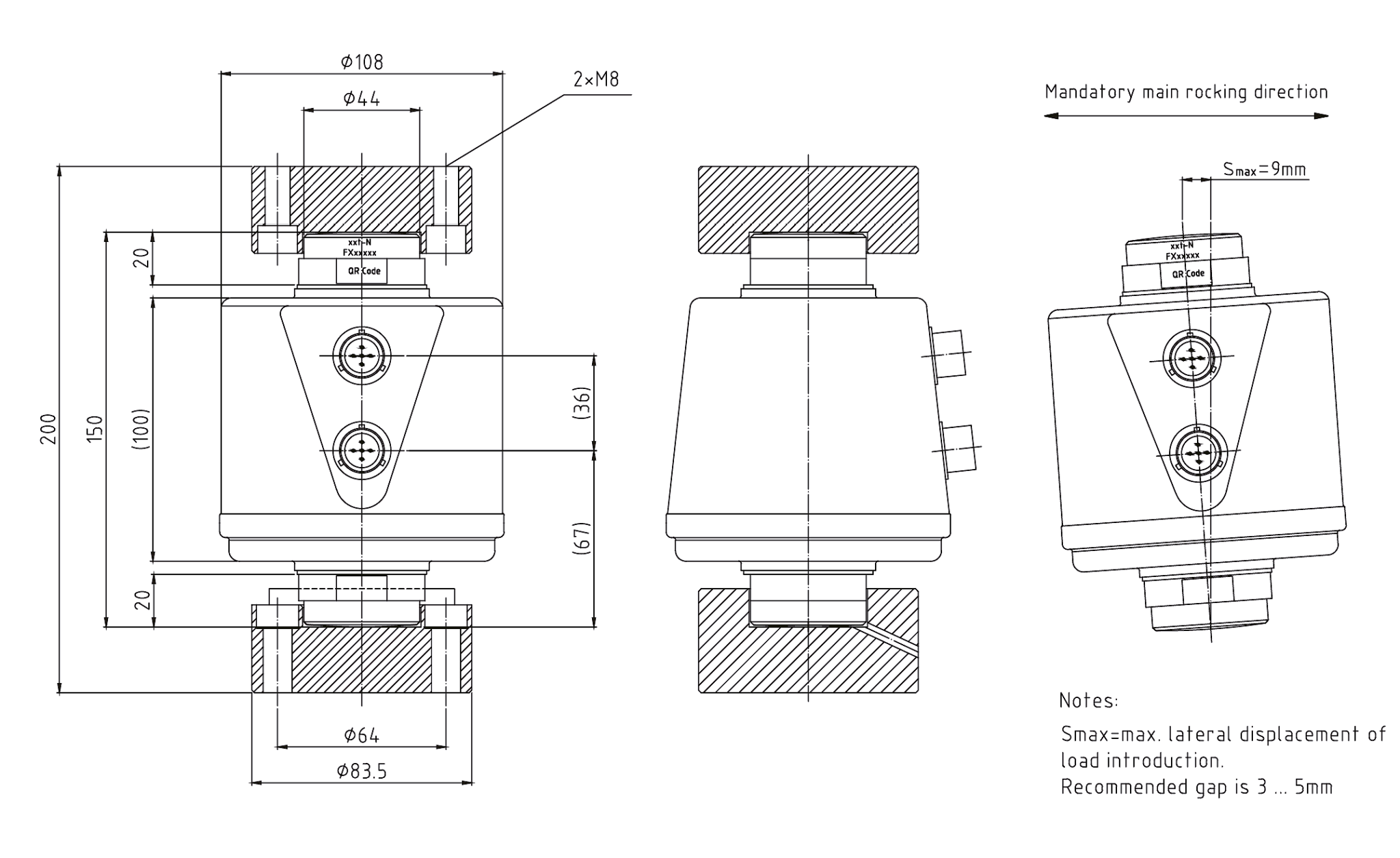
The CDEXS is a high-class digital canister compression load cell with double-cut faces against rotation. The CDEXS is fully hermetically sealed with stamped integrated canister, which enable it to work in the harshest conditions. A rocker column design ensures optimum weighing accuracy when subjected to off-center and side forces when the scale deck is moving back and forth, meanwhile left and right.

PDF célula de carga CDEXS

Dimensions (in mm):

Specifications:

NOTES:

  1. Error due to the combined effect of non-lenearity and hysteresis
  2. The sum of errors due to Temperature Effect on Output comply with the requirements of da OIML R60 e NIST HB44
  3. AL = Applied Load
  4. R.C. = Rated Capacity

Specifications and dimensions are subject to change without notice.

Cadastra-se

Cadastre-se no formulário abaixo e receba nosso catálogo no seu e-mail