Search

CFS Load Cell Specifications

Aplicações:

  • Tirantes à tração (Célula Vasada)
  • Medição de Nivel
  • Poços de Petróleo

CFS

Informações Gerais:

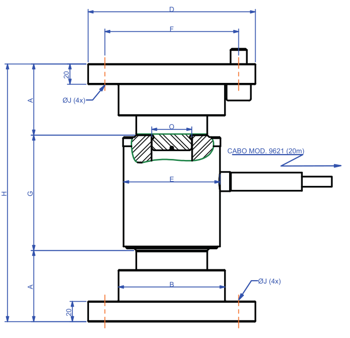
A célula de carga CFS é uma célula de carga (coluna), possui desenho de coluna vertical vazada passante, que permite o trabalho normal à compressão com apoios esféricos ou a tração, apoiando-se a célula sobre uma viga perfurada e aplicando a carga por tirantes através do furo central.

PDF célula de carga CFS

Dimensões em (mm):

Especificações:

Specifications and dimensions are subject to change without notice.

Cadastra-se

Cadastre-se no formulário abaixo e receba nosso catálogo no seu e-mail