Search

MKPXS Mounting Kit Specifications

 Característica principal:

  • Low-profile
  • Upper plate with blind hole to be loaded
  • Adjustable height screw against overload and overturn
  • Capacities (per module): 1t-100t
  • Alloy steel and stainless steel optional
  • Assembled with compression load cell MKPXS

MKPXS

Product description:

The MKPXS weigh module is designed for dynamic weighing system, such as mixed hopper, silo, vessel and tank weighing systems. Capacity is from 1t to 100t widely. The MKPXS Series kit is ideally suited for installation in limited space.

PDF célula de carga MKPXS

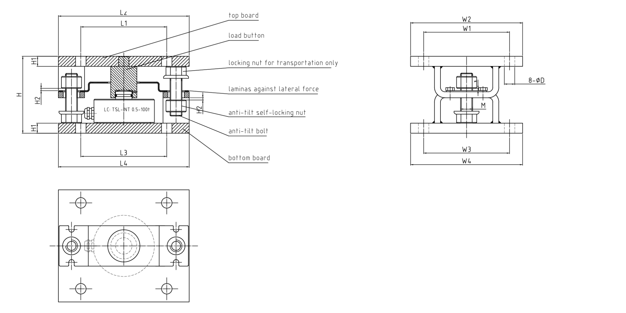
Dimensions (in mm):

Kit Specifications:

NOTES:

  1. Error due to the combined effect of non-linearity and hysteresis
  2. The sum of errors due to Temperature Effect on Output comply with the requirements of OIML R60 and NIST HB44
  3. AL = Applied Load

Diagrama de fiação

Specifications and dimensions are subject to change without notice.

Cadastra-se

Cadastre-se no formulário abaixo e receba nosso catálogo no seu e-mail